Ahmad Hassan

AI Engineer & Roboticist

Building intelligent systems that perceive, reason, and act in the real world.

Ahmad Hassan

01About

I'm a Fulbright Scholar pursuing my Master's in Robotics at Northeastern University, with a background in mechanical engineering and 1.5 years of experience shipping production AI systems.

At Smart Forum, I led a 12-person cross-functional team to launch Clear Minds—Pakistan's first AI-powered drug prevention app. I've built multi-agent automation pipelines, NLP-powered RAG chatbots, and custom voice cloning systems optimized for real-time inference. My coursework has taken me deeper into SLAM, motion planning, and robotic control.

Outside of work, I travel when I can and have, on one memorable occasion, thrown myself out of an airplane at 14,000 feet. I'm currently looking for Summer 2026 internship opportunities where I can work on robotics or AI systems that operate in the physical world.

4.00
GPA
1.5+
Years Experience
10+
Projects

02Experience

Project Manager, AI Division

Smart Forum Pakistan Jan 2025 – Aug 2025
  • Led agile cross-functional team of 12 (Frontend, Backend, AI, UI/UX, QA, DevOps) including 5 remote members to deliver, deploy, and launch Clear Minds—Pakistan's first AI-powered drug prevention app—on Google Play Store on schedule
  • Owned end-to-end product delivery and system integration: dual RAG chatbots with NLP, media hub, admin dashboard, and lesson tracking system; achieved local press coverage and iOS expansion requests post-launch
  • Established company's first PM framework, improving cross-team alignment and creating reusable technical and process documentation standards
  • Managed stakeholder communication, made data-driven decisions on scope changes, and defended project scope against change requests, preventing estimated 6+ months of timeline slippage

AI Engineer

Smart Forum Pakistan Feb 2024 – Dec 2024
  • Awarded Bravo Award (Q4 2024) for outstanding performance
  • Architected multi-agent news automation system using CrewAI and Ollama, streamlining end-to-end article generation from research to publish-ready drafts
  • Built AI newscaster pipeline with voice cloning and lip-synced video generation; fine-tuned TTS models, troubleshoot performance bottlenecks, and optimized frame caching to reduce inference time by 70%
  • Engineered personalized news summarization backend application with data pipelines in Python and Flask with MongoDB, cutting user news consumption time by 75%
  • Deployed RAG chatbot using LangChain, Llama, and FAISS to automate 85% of routine call center inquiries

Mechanical Engineering Intern

Atlas Honda LTD Pakistan Jul 2022 – Aug 2022
  • Devised AI-based OCR system to automate engine number verification against barcodes, saving 1.75M PKR and increasing productivity by 4%
  • Designed jig for number punching machine to improve stability; implemented Kaizen methodology for continuous improvement

03Projects

Segway Controller Design

Mar 2026 – Apr 2026

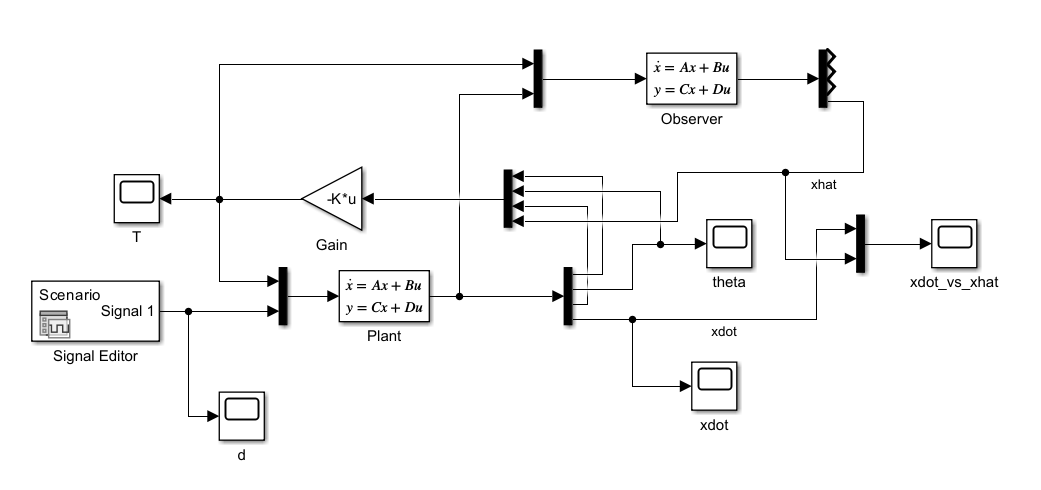
Designed and analyzed state-space controllers for a self-balancing Segway (inverted pendulum), progressing from PID to observer-based full-state feedback; quantified instability margins, actuator saturation effects, and power trade-offs, then validated a Luenberger observer that recovers full-state performance from tilt-only measurement.

Step 10 four-state observer-based closed-loop Simulink model for Segway controller design

Deep RL on MuJoCo: TD3, SAC, and PPO Comparison

Mar 2026 – Apr 2026

Implemented TD3, SAC, and PPO from scratch in PyTorch on HalfCheetah, Hopper, and Walker2d (Gymnasium MuJoCo); ran multi-seed training with learning curves, sample-efficiency analysis, random-policy baseline, and hyperparameter sensitivity sweeps — no Stable-Baselines3.

SAC agent on HalfCheetah-v5 after 1M steps
SAC agent on Hopper-v5 after 1M steps
SAC agent on Walker2d-v5 after 1M steps

NL2Robot: Natural Language Task Planning for Manipulation

Mar 2026 – Apr 2026

End-to-end natural language to MuJoCo execution pipeline: Claude maps commands to a validated JSON motion plan over fixed primitives for a 7-DOF Franka Panda arm, with damped Jacobian IK, chained Cartesian waypoints, and stable block stacking — no ROS or learned policies

MuJoCo simulation: Franka Panda arm performing pick-and-place with colored blocks

DG-SLAM: Dynamic Gaussian Splatting SLAM Evaluation

Nov 2025 – Dec 2025

Reproduced NeurIPS 2024 Visual SLAM paper; achieved 1.23 cm trajectory error with YOLOv8 segmentation, outperforming reported 1.6 cm by 23%.

UR5e Collaborative Robot Kinematics

Nov 2025 – Dec 2025

Implemented forward kinematics, trajectory generation, numerical Jacobian, and Newton's method inverse kinematics solver for 6-DOF arm; tracked 400-waypoint trajectory with sub-mm precision.

Underactuated Robotic Finger Mechanism

Sep 2025 – Oct 2025

Designed single-actuator grasping mechanism with cascading four-bar linkages; derived analytical forward kinematics for closed-loop system and validated with 3D-printed prototype.

05Technical Skills

Programming

Python C C++ MATLAB JavaScript HTML/CSS SQL

AI/ML

PyTorch TensorFlow TFLite Neural Networks Machine Learning Deep Learning Deep Reinforcement Learning LLMs RAG LangChain Multi-Agent Systems Fine-Tuning Transfer Learning Quantization NLP Speech Processing Computer Vision OpenCV Transformers Data Pipelines

Robotics

SLAM Motion Planning Trajectory Generation State Estimation Kalman Filters Kinematics Dynamics Feedback Control Embedded Systems Sensors Simulation Environments Autonomous Systems

Tools & Platforms

SolidWorks AWS Git Linux Docker MongoDB Object-Oriented Software Design

06Education

Master of Science in Robotics

CGPA: 4.00/4.00
Northeastern University
Boston, MA
Sep 2025 – Apr 2027
🎓
Fulbright Scholar
Selected as 1 of 69 scholars from a national pool of 1,190 applicants to represent Pakistan in the Fulbright Foreign Student Program for 2025.
Relevant Coursework:
  • Robot Mechanics and Control
  • Mobile Robotics
  • Reinforcement Learning and Sequential Decision Making
  • Control Systems Engineering

Bachelor of Science in Mechanical Engineering

CGPA: 3.79/4.00
Ghulam Ishaq Khan Institute of Engineering Sciences and Technology
Pakistan
Aug 2019 – Jun 2023
🏅
Ghulam Ishaq Khan Gold Medalist
Best Academic Performance among all graduates
🏅
Faculty Gold Medalist
Highest Academic Score among all bachelor graduates of the faculty
Activities and societies:
GIK Basketball Team Literary and Debating Society Formula GIK Team Infinity

07Certifications

Google Project Management Specialization

Google

Deep Learning Specialization

DeepLearning.AI

Generative AI with Large Language Models

AWS

MIT 6.S191 Introduction to Deep Learning + 15.393 Nuts and Bolts of New Ventures

MIT (in-person)

08Contact

I'm always open to discussing new opportunities, research collaborations, or interesting projects.

Skydiving
×